您好!欢迎来到江苏中德智能电气有限公司!
加入收藏 | 联系我们 | 返回首页

江苏中德智能电气有限公司

全国统一咨询电话

400-926-8500
  • 网站首页
  • 关于我们
  • 产品中心
  • 新闻中心
  • 荣誉资质
  • 公司环境
  • 人才招聘
  • 联系我们

产品导航 

  • ZDIEF电气火灾监控系统
  • ZDIEF-Z系列监
  • ZDIEF-Y50型
  • ZDIEF-Y225
  • 配套附件
  • ZDIEP消防设备电源监控系统
  • 产品技术指标及快速选
  • 配套附件
  • ZDIEC控制与保护开关
  • ZDIEB智能型电力数显仪表

联系我们 

江苏中德智能电气有限公司

联系人:吴先生

电话:400-926-8500

邮箱:zdzn@vip.163.com

24小时销售热线:13815188188

24小时服务热线:400-926-8500

荣誉资质

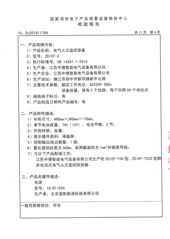
【ZDIEF-Z型电气火灾监控设备检验报告】201611789


上一篇:【ZDIEF-Z电气火灾监控设备】产品特 下一篇:【ZDIEP型消防设备电源监控系统检验报
推荐产品
  • ZDIEB-
  • ZDIEF-
  • ZDIEP-
  • ZDIEB-
  • ZDIEF-
新闻动态
  • 你真的了解隔离开关吗?
  • 天津东丽区建设智慧消防 保障群众生命财产
  • 智慧消防系统:可燃气体检测仪原理及安全性
  • 不同类型的温度传感器比较
  • 如何改善消防工作效率低下,日常工作不到位
  • 消防设备广泛使用已经成为我们必不可少的安
  • 智慧消防给消防行业带来怎样的创新发展?
  • 建筑电气常开,常闭防火门需要设监控吗?
  • 故障电弧探测装置的详细介绍
  • 如何改善消防工作效率低下,日常工作不到位
  • 浅析电气火灾漏电监控系统和火灾自动报警联
  • 十年内全国电气火灾知多少
  • 消防智能数字巡检装置产品特点

地址:江苏省扬中市新坝镇 联系人:吴先生  24小时销售热线:13815188188 

版权所有 © 江苏中德智能电气设备有限公司 备 案:苏ICP备2022023382号 技术支持:扬中企业网